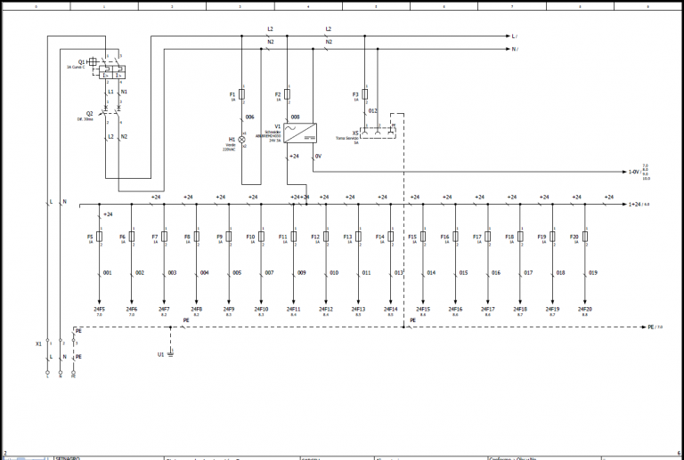
Sistema de Control de Polvo

Cliente

  • Cliente: Seinagro S.A.
  • Cliente Final: Cargill
  • Sitio: Asunción, Paraguay.

Tecnología

  • PLC + HMI: Delta

Alcance del Suministro

  • Ingeniería del tablero
  • Planos eléctricos
  • Construcción del tablero
  • Programación