Planta Biogás
Cliente
- Cliente: Meyco S.R.L.
- Cliente Final: Tierra Greda S.A.
- Sitio: Granja Porcina, Larroque, E.R.
Tecnología
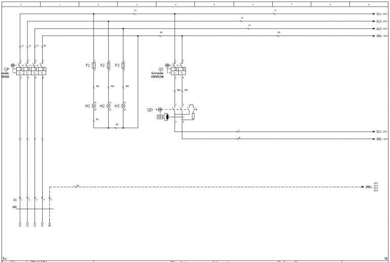
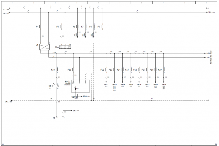
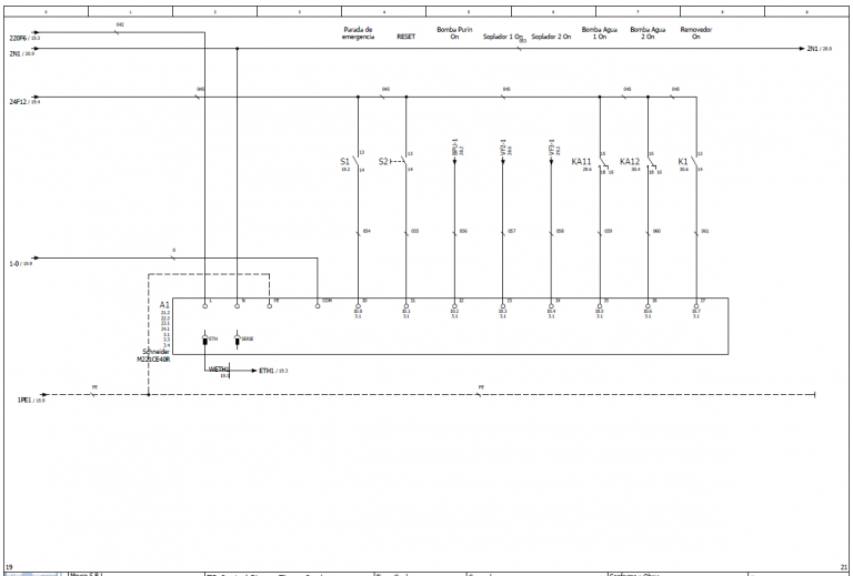
- PLC: Schneider TM221
- HMi: Schneider HMISTU
- Accionamientos: Schneider ATV/ATS
Alcance del Suministro
- Ingeniería del tablero
- Planos eléctricos
- Construcción del tablero
- Programación PLC+HMI+ATV
- Puesta en Marcha
- Acompañamiento de la producción











