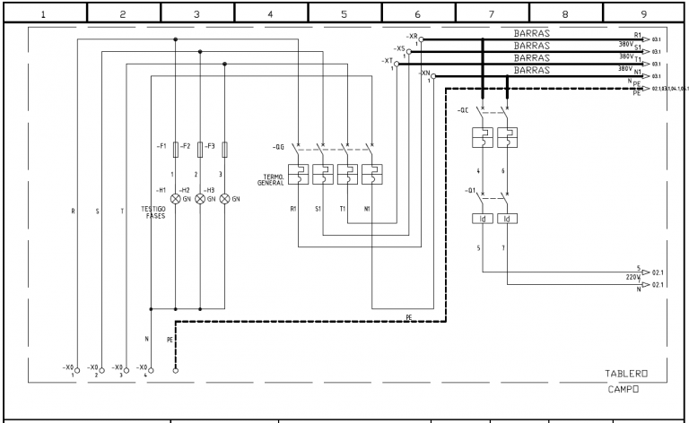
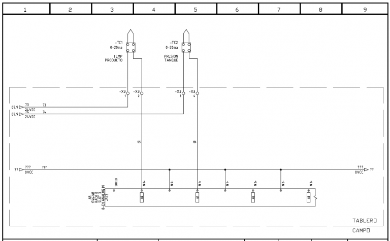
Sistema de Lavado de Biodiesel
Cliente
- Cliente: Meyco S.R.L.
- Cliente Final: Cigot
- Sitio: Planta Biodiesel, Pronunciamiento, E.R.
Tecnología
- PLC: Schneider TM221
- HMi: Schneider HMISTU
- Accionamientos: SEW
Alcance del Suministro
- Ingeniería del tablero
- Planos eléctricos
- Construcción del tablero
- Programación PLC+HMI
- Puesta en Marcha
- Acompañamiento de la producción





