Corrección Factor de Potencia
Cliente
- Cliente: Meyco S.R.L.
- Cliente Final: Cinque
- Sitio: Establecimiento avícola – Manteros.
Tecnología
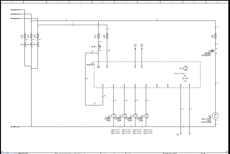
- Controlador: Schneider Varplus Logic NR6
- Contactores: Schneider Tesys D
- Capacitores: Schneider Varplus CAN
Alcance del Suministro
- Ingeniería del tablero
- Planos eléctricos
- Construcción del tablero
- Puesta en Marcha
- Verificación de desempeño






